Коллекция фасадов, энциклопедия статей:
отечественный и зарубежный опыт
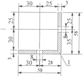
Архитектурный полиуретан Кронштейн ОС-001 (метиз) |
К списку товаров
|
l длина (мм) 100 мм
h высота (мм) 58 мм
w глубина (мм) 58 мм
Цена 408 руб
Артикул - нн0014
Скачать

Нужна помощь в подборе декора или консультация?
Вы можете бесплатно рассчитать у наших менеджеров необходимое количество декоративных элементов для оформления Вашего дома, сообщив необходимые размеры или выслав чертежи по электронной почте decor@architan.ru или заполнив форму.
Если у Вас есть вопросы, наши специалисты рады проконсультировать Вас по тел. +7 (495) 646 07 81 ежедневно
с 9 до 21 часа.





















